Replacement Seat For Nordictrack Bike - Nordictrack VR21 Recumbent Bike Review - A Good Buy For You? : Attach the seat handlebar (11) to the seat carriage (3) with two m10 x 32mm.

Replacement Seat For Nordictrack Bike - Nordictrack VR21 Recumbent Bike Review - A Good Buy For You? : Attach the seat handlebar (11) to the seat carriage (3) with two m10 x 32mm.. If your exercise bike is not listed here, we'll double check or make you a custom adapter, just email or call. Nordictrack grand tour pro exercise bike review. Therefore, you wouldn't need to buy an extra exercise bike seat cushion. It is specially designed for nordictrack and freemotion. A perfect replacement for your stationary indoor bike seat is the zacro.

Nordictrack exercise bike parts that fit, straight from the manufacturer. Nordictrack gx 3.5 sport review. Nordictrack gx 2.7 exercise bike. In case you do have arthritis and a hip replacement or similar conditions, please do consult a gp before considering any exercises. The other night i was riding my nordictrack exercise bike and all of a sudden the display quit and the tension on the peddles went slack.

NordicTrack GX 4.7 Exercise Bike, Exercise Bikes - Amazon ...
NordicTrack GX 4.7 Exercise Bike, Exercise Bikes - Amazon ... from images-na.ssl-images-amazon.com
Use our interactive diagrams, accessories, and expert repair help to fix your this authentic replacement part is supplied directly from the original equipment manufacturer. Related reviews you might like. Nordictrack spinning bike gx 3.9 sport. # nordictrack exercise bike 30706.2. A perfect replacement for your stationary indoor bike seat is the zacro. Nordictrack gx 3.5 sport review. This is one of the best seats for spin bikes as well as upright bikes. Bike seat for nordictrack s22i.

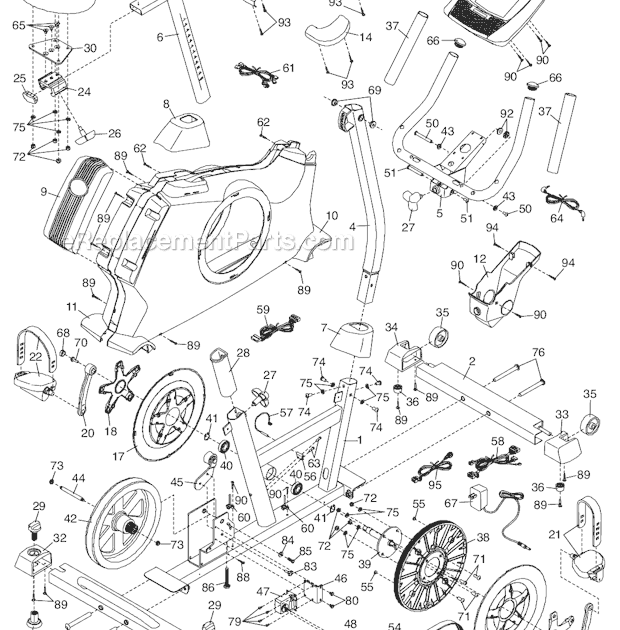
Quick reference for nordictrack bikes.

Get the best deal for nordictrack cardio equipment parts & accessories from the largest online selection at ebay.com. Schwinn schwinn exercise bike seat replacement. Found that the seat, even when adjusted closest to pedals, make you stretch your legs too far to reach the pedals without. You are free to download any nordictrack exercise bike manual in pdf format. The other night i was riding my nordictrack exercise bike and all of a sudden the display quit and the tension on the peddles went slack. Planet bike exercise bike seat features soft foam padding and has a flexible base. Nordictrack gx 3.5 sport review. I just got my radcity and rode it for 34 miles. Ordering replacement parts to order replacement parts, please see the front cover of this manual. Nordictrack bike seat pad / nordictrack seat cushion off 60 www daralnahda com. A perfect replacement for your stationary indoor bike seat is the zacro. Also, note that the xmifer is a great nordictrack s22i and s15i seat replacement, in case the aggressive nordictrack spin bike seats are too painful for your pelvic bones. Spongy wonder noseless bike seat.

Adapter compatibility by maker and model number below: Nordictrack gx 5.0 pro recumbent bike replacement left & right handle bars part. Nordictrack gx 3.5 sport review. Nordictrack has been manufacturing exercise training and home fitness equipment since 1975. Quick reference for nordictrack bikes.

Replacement Seat For Nordictrack Bike - I switched the ...
Replacement Seat For Nordictrack Bike - I switched the ... from www.treadmillreviewguru.com
Shop from the world's largest selection and best deals for nordictrack exercise bikes with adjustable seat. Compatible with standard road bike pedals and seat. ℹ️ nordictrack exercise bike manuals are introduced in database with 82 documents (for 63 devices). Nordictrack sent me quickly a replacement for that. Ordering replacement parts to order replacement parts, please see the front cover of this manual. Schwinn schwinn exercise bike seat replacement. I just got my radcity and rode it for 34 miles. If you want a bike from nordictrack with a 20% incline, this is the best value for money you can get as long as you do not.

Nordic track exercise bike gel seat spin bike seats and pedals the 7 best spin bike seats in 2020 extra comfortable bike seat for seniors nordictrack bike seat replacement discover cheap clothes, shoes and accessories for men at our shop outlet.

So i typed out my complaints and asked if there were replacement seats or if i could replace the bike. Spongy wonder noseless bike seat. Nordictrack spinning bike gx 3.9 sport. Compatible with standard road bike pedals and seat. Get the best deal for nordictrack cardio equipment parts & accessories from the largest online selection at ebay.com. Replacement panel nordictrack gx 2.5 with user's manual model: Nordic track exercise bike gel seat spin bike seats and pedals the 7 best spin bike seats in 2020 extra comfortable bike seat for seniors nordictrack bike seat replacement discover cheap clothes, shoes and accessories for men at our shop outlet. Ntex23012.0 replacement panel nordic the seat is completely adjustable to accommodate the tallest(and shortest) riders. Attach the seat (9) to the seat carriage (3) with 9 four m6 x 38mm patch screws see the back cover of this manual for information about ordering replacement parts. Shop ebay for great deals on nordictrack cardio equipment. Nordictrack sent me quickly a replacement for that. Related reviews you might like. Hi, trying to buy a nordictrack easy entry air mesh recumbent bike sl 728.

This is one of the best seats for spin bikes as well as upright bikes. # nordictrack exercise bike 30706.2. In case you do have arthritis and a hip replacement or similar conditions, please do consult a gp before considering any exercises. But for the sake of not making your head spin while it wheels: Nordictrack exercise bike parts that fit, straight from the manufacturer.

Replacement Seat For Nordictrack S22i | Exercise Bike ...
Replacement Seat For Nordictrack S22i | Exercise Bike ... from i.ytimg.com
If you want a bike from nordictrack with a 20% incline, this is the best value for money you can get as long as you do not. Therefore, you wouldn't need to buy an extra exercise bike seat cushion. A perfect replacement for your stationary indoor bike seat is the zacro. Replacement panel nordictrack gx 2.5 with user's manual model: Hi, trying to buy a nordictrack easy entry air mesh recumbent bike sl 728. The seat is completely adjustable to accommodate the tallest. I have a nordic track commercial vr pro recumbent bike model ff540g03739 and the screen went blank. Shop ebay for great deals on nordictrack cardio equipment.

Buy a new seat for your exercise bike.

It is specially designed for nordictrack and freemotion. This is one of the best seats for spin bikes as well as upright bikes. Nordictrack commercial vr21 exercise bike | nordictrack / get the best deal for nordictrack cardio equipment parts & accessories from the largest online selection at ebay.com. Ac power adapter for nordictrack bike / elliptical exercisers 248512 replacement. You are free to download any nordictrack exercise bike manual in pdf format. Shop from the world's largest selection and best deals for nordictrack exercise bikes with adjustable seat. Exercise bike nordictrack gx5.1 bike bruksanvisning. This seat back should've been recalled and i should of got a replacement i could've fallen off the back and broke my back or been impaled from this seat breaking i need a new one when can i get one i see they're. Bike seat for nordictrack s22i. Nordictrack bike seat pad / nordictrack seat cushion off 60 www daralnahda com. Nordictrack gx 5.0 pro recumbent bike replacement left & right handle bars part. I have a nordic track commercial vr pro recumbent bike model ff540g03739 and the screen went blank. The other night i was riding my nordictrack exercise bike and all of a sudden the display quit and the tension on the peddles went slack.

Posting Komentar (0)
Lebih baru Lebih lama